公司地址:襄陽市樊城區春園西路賈洼工業園 郵箱:xfycdq@163.com
大家也許對于進相器不是很了解,也不知道進相器到底跟無功補償有什么牽連,那么下面我們就來講解一下進相器的工作原理作用是什么?
很多人都聽說過進相器,也知道進相器是一種無功補償裝置,但對進相器具體有什么作用?進相器原理是什么?主要用于什么場合? 卻并不是太清楚,下面由襄陽源創電氣給大家介紹進相器的作用及原理。

進相器可廣泛適用于鋼鐵、木業、糖廠、橡膠業、冶金、礦山、水泥、化工、造紙、制藥等行業大中型繞線式異步電機的變負載狀態或者恒負載狀態的75~10000kW大中型繞線式異步電動機就地補償。如:球磨機、軋鋼機、壓榨機、風機、水泵、破碎機、壓縮機等。
進相器一般分為兩種,一種是靜止式進相器。
靜止式進相器主要有以下特點:
1、可使電功率因素提高到0。95以上,無功降低60%-70%。
2、降低定子電流10-20%,降低線損、銅損20-30%。
3、無觸點、無機械轉動、無環流運行,綜合性能優于自激式進相機。
4、功率因素的補償區間更寬。能延伸至電機本身。
5、節能降耗顯著,半年左右可收回成本。

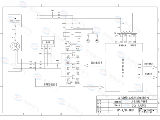
我公司生產的LP系列靜止式進相器,它是大中型繞線式電機無功就地補償的高新產品,適用于各行業90-6000kw繞線式電動機。
它采用選項進的交-交變頻技術和微機控制技術,可自動跟蹤電機的實時運行狀態,自動調整相關參數,使電機時刻處于最佳補償狀態,極大范圍的降低定子電流,電機溫升顯著下降,延長了電機的使用壽命,并具備故障自動保護功能,維修保養不影響生產,是替代傳統補償設備的理想產品。
進相器另一種是變負載進相器

變負載進相器有以下特點:
1)采用了先進的交-交變頻技術和微機自動控制技術、高靈敏度電子測量技術和鎖相環相位鎖定技術,可自動跟蹤電機負載運行狀態的變化,適時檢測電機的反電勢。
2)變負載狀態降低電機定子電流10%-80%,降低線損、銅損20%-50%;恒負載狀態降低電機定子電流10%-20%,降低線損、銅損20%-30%。
3)節能降耗顯著,進相后可使電機功率因數提高到0.95以上,節約無功功率80%以上,其卓越的補償效果是普通進相器無法與之相比擬的。
4)具有軟進相功能,電機及機械設備無沖擊,延長了軟進相器和電機及機械設備的使用壽命。
5)電機溫升顯著降低,過載能力及運行效率大大提高,從而延長電機的使用壽命。
6)自動跟蹤電機運行工況的變化,自動調整疊加于轉子回路中附加電動勢的幅值,自動調整相關參數,從而使電機的無功補償始終保持最佳的補償效果。
7)補償特性優于電容和現有的進相器補償,既提高了線路的功率因數,同時也提高了電機自身的功率因數。
8)具有故障自動保護功能,操作簡單,維修保養不影響生產。
我公司生產的LVP系列變負載進相器,它是運用脈寬調制交-交變頻技術和微電腦自動控制技術相結合而研制開發的一種高新技術產品,屬于國家科技部科技型創新重點支持領域。
該產品是專為大中型繞線式異步電動機專用的無功功率就地補償裝置,其顯著特點是:能廣泛應用于繞線電機在各種負載狀態,變負載狀態在載荷突變二倍以上額定量工況下的功率因數補償,完全實現了大中型繞線式異步電動機的節能降耗,突顯出傳統的無功功率補償裝置無法比擬的優勢。
它是串接在電機轉子回路中,通過改變轉子電流與轉子電壓的相位關系,進而改變電機定子電流與電壓的相應關系,達到提高電機自身的功率因數和效率及過載能力、降低電機定子電流、降低電機自身損耗的目的。
上一篇:水阻柜電解粉調試和維護是什么?
下一篇:開關柜、配電柜是不是一個產品?




(不想等待可點擊按鈕通過QQ進行溝通,或直接電聯。)
關閉